섹스티아 Smart Drainage & Vertical Pipe Fixing Solution

        CRF SD-PN

        > 섹스티아 > CRF SD-PN

        • 의장등록 제 0278502호
        • 상표등록 제 425142호
        • 횡지관으로 유입되는 배수의 회전을 유도하여 배수의 선회류 형성
        • 작업 부자재 불필요로 인한 작업의 용이성
        • 횡, 종지관에 따라 다양한 규격 생산
        • 전 제품 색상 선택 가능 (그레이, 아이보리, 투명)

        100×50

        페이지 정보

        분류 작성자 관리자 조회hit 19회 작성일 2026-03-04 16:18

        본문

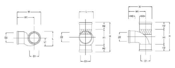
        구분 D1 D2 L L1 W W1 W2 W3 H H1 H2
        100X50 114 60 135 65 225 143 50 65 265 145 60